
設備介紹:
該全自動無氣泡包裝機組能自動完成計量、填充制袋、打印日期、切袋等全部過程,是液體類包裝生產企業的最佳包裝配套,設備為大型企業、中小規模企業實現了自動化,提高了各行業的生產效率,大幅降低了成本。
適用范圍:
全自動無氣泡包裝機適用于液體和帶粘性的各種食品,藥品和化學產品的包裝,包括水果沙拉,番茄醬,蜂蜜,食用油,調味劑,蔬菜汁,蓮蓉,甜豆醬等,非食品類得包括面霜,清潔劑,潤滑油,工業用糊狀物等。
系統組成:
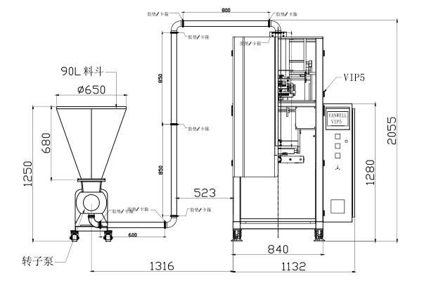
不銹鋼轉子泵液體
膏體上料機
不銹鋼立式包裝機
不銹鋼成品輸送機
生產流程工序:
開機溫度達到恒溫→設置參數→物料倒入料斗或用管引入(機器自動從料斗吸入物料)→按設定重量自動定量下料→自動包裝機自動制袋成型 (可選配沖孔、插角、排氣等附件裝置)→填充→封合→打印日期→包裝機完成自動封切→-成品包裝經成品輸送機輸送;
產品結構圖:

主要特點:
1.全不銹鋼結構經久耐用,確保衛生
2.操作簡單,不需另請專業技術人員
3.進口PLC控制,人性化操作界面,大幅提高控制的精確性、可靠性、智能性和調整范圍
4.水平傳感器監測,易于調整袋長
5.光電開關自動精確跟蹤薄膜色標
6.能與輸送泵的速度保持一致以確保精確性
7.采用伺服電機電機控制、雙拉膜裝置,拉膜準確無誤,從而保證制袋效果
8.多種進口優質零部件,確保了機器的高品質和高性能
9.全自動無氣泡包裝機不需要額外的排除器或抽真空裝置就能制出無空氣袋
技術參數:
型號 XJB-520
包裝容量 200 – 5000g
包裝速度 5-15袋/分鐘
膜寬 350mm-520mm
袋寬 160mm-250mm
薄膜卷直徑 最大300mm
膜厚 65微米-100 微米
包裝薄膜 各種可熱封復合薄膜
電源 415V/50Hz/3phase/2.5KW
耗氣量 3MPA
產品包裝后規格 1580*1380*1990(mm)
產品重量 900KG
配套設備:成品輸送機
主要特點:
將自動包裝好的成品袋輸送至包裝后檢測設備或打包平臺
技術參數:
輸送速度 30米/分
外形尺寸 2110×340×500mm
功率(W) 90
電壓 220V/45W
